電源連動接続(Wake On LAN)
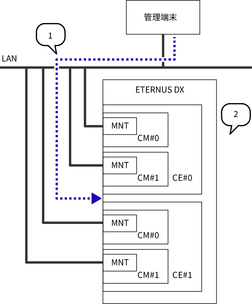
Wake On LANを使用して、LAN経由で電源投入の指示を行えます。
Wake On LANユーティリティソフトウェアを使用して「マジック・パケット」を送信すると、ETERNUS DX側でそのパケットを検知し電源が投入されます。
図: Wake On LANを使用した電源制御
電源投入シーケンス
LAN 経由でETERNUS DXに電源投入を指示
ETERNUS DXの起動
備考
LANに接続しているすべてのコントローラーに対して「マジック・パケット」が送信されます。

